STMicroelectronics LDK120P DFN-6L Low Dropout Voltage Regulators

STMicroelectronics LDK120P DFN-6L Low Dropout (LDO) Voltage Regulators provide 200mA of maximum current from an input supply voltage in the range of 1.9V to 5.5V, with a typical dropout voltage of 100mV. They are stabilized with a ceramic capacitor on the output. The very low drop voltage, low quiescent current, and low noise features make these devices suitable for low power battery-powered applications. An enable logic control function puts the LDK120P LDOs in shutdown mode allowing a total current consumption lower than 1μA. These devices also include a short-circuit constant current limiting and thermal protection.

Features

  • Input voltage from 1.9V to 5.5V
  • Very low dropout voltage (100mV typ. at 100mA load)
  • Low quiescent current (max. 100μA, 1μA in OFF mode)
  • Very low noise
  • Output voltage tolerance: ± 2.0% @ 25°C
  • Wide range of fixed output voltages available on request: from 0.8V to 3.5V with 100mV step
  • 200mA guaranteed output current
  • Adjustable version: from 0.8V to VIN to Vdrop
  • Logic-controlled electronic shutdown
  • Compatible with ceramic capacitor COUT = 1μF
  • Internal current and thermal limit
  • Temperature range: -40°C to +125°C

Applications

  • Smartphones
  • Tablets
  • Cordless phones and similar battery-powered systems
  • Digital still cameras

Block Diagram

Block Diagram - STMicroelectronics LDK120P DFN-6L Low Dropout Voltage Regulators

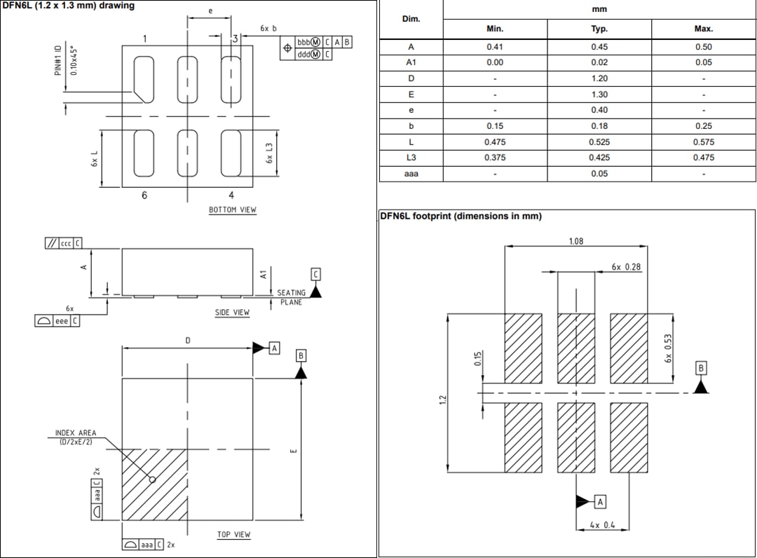
Package Outline

Mechanical Drawing - STMicroelectronics LDK120P DFN-6L Low Dropout Voltage Regulators
Publicado: 2014-04-18 | Actualizado: 2022-03-11