STMicroelectronics TDA7491HV Audio Amplifiers

STMicroelectronics TDA7491HV Audio Amplifiers are dual Bridge-Tied Load (BTL) class-D audio amplifiers with a single power supply designed for LCD TVs and monitors. Features include short-circuit protection, thermal overload protection, and external synchronization. STMicroelectronics TDA7491HV Audio Amplifiers are pin-to-pin compatible with TDA7491P and TDA7491LP amplifiers.

Features

  • 20W + 20W continuous output power:
    • RL = 8Ω, THD = 10% @ VCC = 18V
  • Wide-range single-supply operation (5V to 18V)
  • High efficiency (η = 90%)
  • Four selectable, fixed gain settings of nominally 20dB, 26dB, 30dB, and 32dB
  • Differential input minimize common-mode noise
  • No ‘pop’ at turn-on/off
  • Standby and mute features
  • Short-circuit protection
  • Thermal overload protection
  • External synchronization

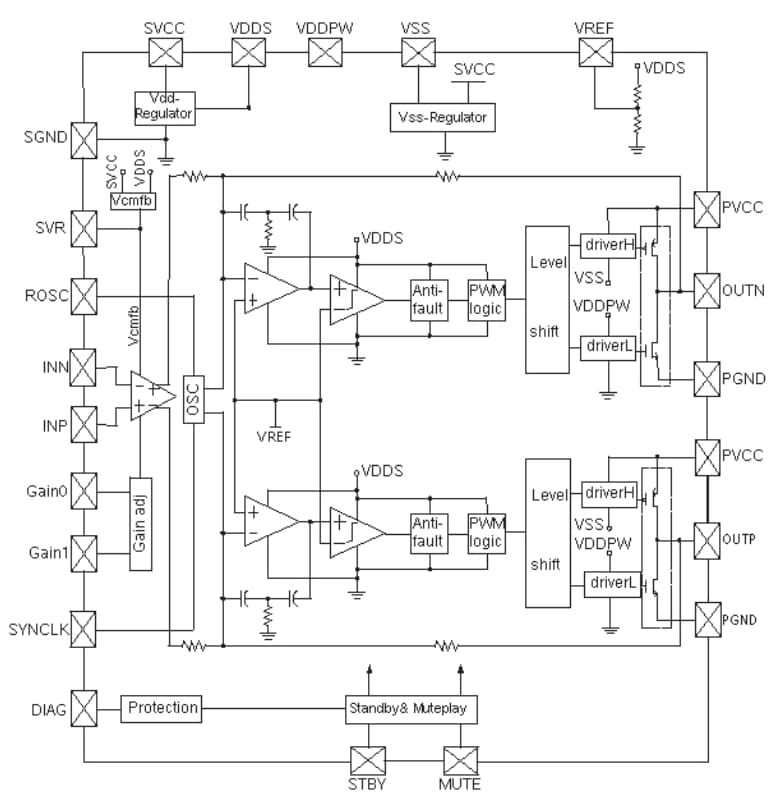
Internal Block Diagram (showing one channel only)

Block Diagram - STMicroelectronics TDA7491HV Audio Amplifiers
Publicado: 2018-11-20 | Actualizado: 2023-02-23