EPCOS / TDK CarXield B84252 Power EMC Filters

TDK CarXield B84252 Power EMC Filters are engineered to provide outstanding EMI suppression in power line applications. The B84252A0200A000 offers a rated voltage of 500VDC and a current rating of 200A to 400A, while the B84252B0400A000 offers a rated voltage of 1000VDC and a current rating of 400A. Both these filters provide high attenuation and compact designs. CarXield filters are ideal for EMI noise suppression, ensuring the reliable operation of sensitive equipment by effectively suppressing common-mode and differential-mode noise. TDK CarXield B84252 Power EMC Filters feature a passive discharge circuit, easy installation, a compact design, and severe ambient condition resistance.

Features

  • Passive discharge circuit
  • Easy and fast to install
  • Compact design
  • Severe ambient conditions
  • Y2 capacitors used
  • X2 capacitors used (B84252A0200A000 only)

Applications

  • Various topologies
    • Moter inverters
    • Battery
  • EMI noise reduction
  • Commercial and passenger electrical vehicles

Specifications

  • Common
    • -40°C to +85°C operating temperature range
    • IP00 degree of protection
    • UL 94V-0 flammability rating
    • Metal case/plastic cover
    • Built with nanocrystalline cores
    • RoHS, REACH, and GADSL compatibility
  •  B84252A0200A000
    • 500VDC rated voltage
    • 200A to 400A rated current
  • B84252B0400A000
    • 1000VDC rated voltage
    • 400A rated current

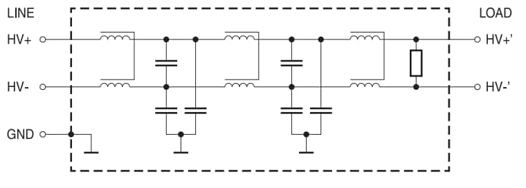
Typical Circuit Diagram

Application Circuit Diagram - EPCOS / TDK CarXield B84252 Power EMC Filters

Videos

Publicado: 2025-05-08 | Actualizado: 2025-12-19