TE Connectivity ECP40B High-Voltage DC Contactors
TE Connectivity's (TE) ECP40B High-Voltage DC Contactors are designed for control in high-voltage environments, such as battery energy storage systems, solar inverters, and electric vehicle (EV) charging applications. These contactors are suitable for pre-charge applications and can be used in 1500VDC voltage systems. ECP40B contactors feature a 40A making capability, are hermetically sealed with ceramic, and allow bidirectional loads. TE ECP40B High-Voltage DC Contactors offer a small size, ensuring space savings while providing high performance in electrical endurance.Features
- 40A making capability
- Small size ensures space savings
- Switching voltage up to 1500VDC meets system voltage requirements
- Bidirectional contacts design
- High performance in electrical endurance
- Safety ensured during charge and discharge
Applications
- Battery energy storage systems
- EV charger
- DC converters
- Photovoltaic inverters
Specifications
- 1 form X (SPST-NO-DM) contact arrangement
- 30ms operate time maximum
- 10ms release time maximum
- 200,000 cycles of mechanical life
- 3W coil power
- Screw terminals
- -40°C to +85°C operating temperature range
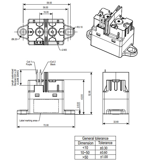
Dimensions
Additional Resources
Publicado: 2024-08-19
| Actualizado: 2024-08-28
