Texas Instruments AMC030xR Isolated Amplifiers
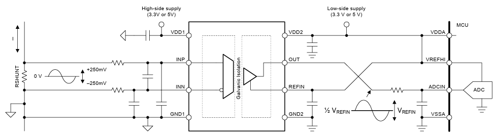
Texas Instruments AMC030xR Isolated Amplifiers are precision, galvanically isolated amplifiers with a ±250mV, differential input and single-ended, ratiometric output. These amplifiers have an input optimized for direct connection to a shunt resistor or other low-impedance signal source. The AMC030xR amplifier's output is designed to connect directly to the ADC input. These amplifiers operate over the temperature range from -40°C to 125°C. The AMC030xR amplifiers are available in 8-pin wide- and narrow-body SOIC packages. These isolated amplifiers are ideal for industrial motor drives, frequency inverters, server Power Supply Units (PSU), and Power Factor Correction (PFC).
Features
- ±250mV linear input voltage range
- Supply voltage range:
- 3V to 5.5V high-side (VDD1)
- 3V to 5.5V low-side (VDD2)
- Single-ended, ratiometric output 2.7V to 5.5V reference input
- Low DC errors:
- ±0.2mV (maximum) offset error
- ±3µV/°C (maximum) offset drift
- ±0.25% (maximum) gain error
- ±35ppm/°C (maximum) gain drift
- 0.04% (maximum) nonlinearity
- 150V/ns (minimum) high CMTI
- Low EMI meets CISPR-11 and CISPR-25 standards
- AMC0300R reinforced isolation basic isolation rating
- Safety-related certifications:
- DIN EN IEC 60747-17 (VDE 0884-17)
- UL1577
- -40°C to 125°C fully specified over the extended industrial temperature range
Applications
- Industrial motor drives
- Frequency inverters
- Server Power Supply Units (PSU)
- Power Factor Correction (PFC)
Block Diagram
Application Diagram
Publicado: 2026-02-02
| Actualizado: 2026-03-05
