Texas Instruments AMC0381R/-Q1 Reinforced Isolated Amplifiers

Texas Instruments AMC0381R/-Q1 Reinforced Isolated Amplifiers offer high-voltage DC input, high-impedance input, and single-ended ratiometric output. The input is devised to connect directly to a high-voltage signal source. The isolation barrier divides parts of the system that function on different common-mode voltage levels. The isolation barrier is highly resistant to magnetic interference and is certified to deliver reinforced isolation up to 5kVRMS (60s). The AMC0381R/-Q1 outputs a single-ended signal proportional to the input voltage. The full-scale output is set by the voltage applied to the REFIN pin. The AMC0381R-Q1 is developed to connect directly to the ADC input. Users can connect the REFIN to the same reference voltage as the ADC to match the ADC's dynamic input voltage range.

The AMC0381R/-Q1 is available in three linear 600V, 1000V, and 1600V input voltage ranges. With an integrated precision resistive divider, the device achieves better than 1% accuracy over the whole temperature range, including lifetime drift.

The AMC0381R-Q1 is available in a 15-pin, 0.65mm pitch SSOP package and is fully specified over the temperature range from -40°C to +125°C.

The AMC0x06M25-Q1 devices are AEC-Q100 qualified for automotive applications.

Features

  • AEC-Q100 qualified for automotive applications:
    • Temperature grade 1:-40°C to +125°C, TA
  • Single-ended output, ratiometric to VREFIN
    • 2.7V to 5.5V reference input
  • Supply voltage range:
    • High-side (VDD1): 3.0V to 5.5V
    • Low-side (VDD2): 3.0V to 5.5V
  • Low DC errors:
    • Offset error: ±1.5mV (maximum)
    • Offset drift: ±20uV/°C (maximum)
    • Attenuation error: ±0.25% (maximum)
    • Attenuation drift: ±40ppm/°C (maximum)
    • Nonlinearity: 0.025% (maximum)
  • Integrated, high-voltage resistive divider for direct DC voltage sensing without external resistors
  • High CMTI: 150V/ns (minimum)
  • Low EMI: Meets CISPR-11 and CISPR-25 limits
    • Available input options:
      • AMC0381RO6-Q1: 600V, 10MQ
      • AMC0381R10-Q1: 1000V, 12.5MQ
      • AMC0381R16-Q1: 1600V, 33.5MQ
      • AMC0381R06: 600V, 10MΩ
      • AMC0381R10: 1000V, 12.5MΩ
      • AMC0381R16: 1600V, 33.5MΩ
  • Safety-related certifications:
    • 7000VPK reinforced isolation per DIN EN IEC 60747-17 (VDE 0884-17)
    • 5000VRMS isolation for 1 minute per UL 1577

Applications

  • Server power-supply units (PSU)
  • Energy storage systems (ESS)
  • Solar inverters
  • EV charging stations

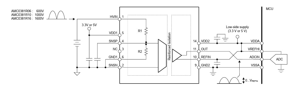
Typical Application

Application Circuit Diagram - Texas Instruments AMC0381R/-Q1 Reinforced Isolated Amplifiers
Publicado: 2026-02-07 | Actualizado: 2026-02-28