Texas Instruments AMC0386 & AMC0386-Q1 Isolated Modulators
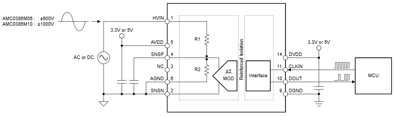
Texas Instruments AMC0386 and AMC0386-Q1 Isolated Modulators are precision, galvanically isolated delta-sigma (ΔΣ) modulators with a high-voltage, high impedance input, and an external clock. These modulators operate at a supply voltage range of 3V to 5.5V for the high-side (AVDD) and 2.7V to 5.5V for the low-side (DVDD). The AMC0386 and AMC0386-Q1 isolated modulators feature a 10MHz nominal input clock frequency, 150V/ns (minimum) high CMTI, and provide reinforced isolation of up to 5kVRMS (60s). These modulators are available in a 15-pin, 0.65mm pitch SSOP package and are fully specified over the temperature range from -40°C to 125°C. The AMC0386-Q1 devices are AEC-Q100 qualified for automotive applications. Typical applications include traction inverters, onboard chargers, DC/DC converters, battery junction boxes, Server Power-Supply Units (PSU), Energy Storage Systems (ESS), Solar inverters, and EV charging stations.
Features
- AEC-Q100 qualified for automotive applications:
- -40°C to 125°C, TA temperature grade 1
- Integrated, high-voltage resistive divider for direct AC or DC voltage sensing without external resistors
- Supply voltage range:
- 3V to 5.5V high-side (AVDD)
- 2.7V to 5.5V low-side (DVDD)
- Low DC errors:
- ±0.9mV (maximum) offset error
- ±7µV/°C (maximum) offset drift
- ±0.25% (maximum) attenuation error
- ±30ppm/°C (maximum) attenuation drift
- 150V/ns (minimum) high CMTI
- Missing high-side supply detection
- Meets CISPR-11 and CISPR-25 limits low EMI
- Available input options:
- AMC0386M06/-Q1: ±600V, 10MΩ
- AMC0386M06/-Q1: ±1000V, 12.5MΩ
- Safety-related certifications:
- 7000VPK reinforced isolation per DIN EN IEC 60747-17 (VDE 0884-17)
- 5000VRMS isolation for 1 minute per UL1577
Applications
- Server Power-Supply Units (PSU)
- Energy Storage Systems (ESS)
- Solar inverters
- EV charging stations
- Traction inverters
- Onboard chargers
- DC/DC converters
- Battery junction boxes
Typical Application Diagram
Functional Block Diagram
Recommended Layout
