Texas Instruments AMC1304x / AMC1304x-Q1 Delta-Sigma Modulators
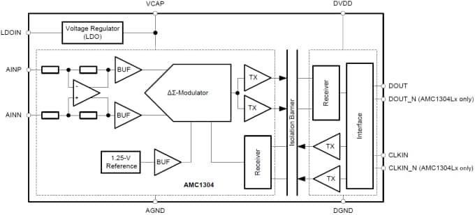
Texas Instruments AMC1304x / AMC1304x-Q1 Precision Delta-Sigma (ΔΣ) Modulators include the output separated from the input circuitry by a capacitive double isolation barrier. This makes these devices highly resistant to magnetic interference. This barrier is certified to provide reinforced isolation of up to 7000VPEAK according to the DIN V VDE V 0884-10, UL1577, and CSA standards. Used in conjunction with isolated power supplies, these devices prevent noise currents on a high common-mode voltage line from entering the local system ground. They also prevent interfering with or damaging low voltage circuitry. The input of the AMC1304x / AMC1304x-Q1 is optimized for direct connection to shunt resistors or other low voltage-level signal sources. The unique low input voltage range of the ±50mV device allows a significant reduction of the power dissipation through the shunt. This helps to support excellent AC and DC performance. The AMC1304x-Q1 devices from Texas Instruments are AEC-Q100 qualified for automotive applications.Features
- Pin-Compatible Family Optimized for Shunt-Resistor-Based Current Measurements
- Input voltage ranges ±50mV or ±250mV
- CMOS or LVDS digital interface options
- Excellent DC Performance Supporting High-Precision Sensing on System Level
- Offset error ±50µV (max) or ±100µV (max)
- Offset drift 1.3µV/°C (max)
- Gain error ±0.2% (max) or ±0.3% (max)
- Gain drift ±40ppm/°C (max)
- Certified Isolation Barrier
- Reinforced isolation rating
- DIN VDE V 0884-10, UL1577, and CSA approved
- Isolation voltages 7000VPEAK, 10000VSURGE
- Working voltages 1500VDC, 1000VAC, rms
- Transient immunity 15kV/µs (min)
- High electromagnetic field immunity (see application note SLLA181A)
- External 5MHz to 20MHz clock input for easier system-level synchronization
- On-chip 18V LDO regulator
- Fully specified over the extended industrial temperature range
Applications
- Shunt-Resistor-Based Current Sensing
- Industrial motor drives
- Photovoltaic inverters
- Uninterruptible power supplies
- Isolated voltage measurements
TI Reference Design Library
Block Diagram
Videos
Publicado: 2015-08-10
| Actualizado: 2022-03-11
