Texas Instruments bq76942 Multicell Battery Monitor

Texas Instruments bq76942 Multicell Battery Monitor is a highly integrated, high accuracy battery monitor and protector for 3-series to 10-series Li-ion, Li-polymer, and LiFePO‌‌‍‍‍‍‍‍‍‍‍‍‍‍‍‍‍‍‍‍‍4 battery packs. The device includes a high-accuracy monitoring system, a highly configurable protection subsystem, and support for autonomous or host-controlled cell balancing. Integration includes high-side charge-pump NFET drivers, dual programmable LDOs for external system use, and a host communication peripheral supporting 400kHz I2C, SPI, and HDQ one-wire standards. The Texas Instruments bq76942 is available in a 48-pin TQFP package.

Features

  • Battery monitoring capability for 3-series to 10-series cells
  • Integrated charge pump for high-side NFET protection with optional autonomous recovery
  • Extensive protection suite including voltage, temperature, current, and internal diagnostics
  • Two independent ADCs
    • Support for simultaneous current and voltage sampling
    • High-accuracy coulomb counter with input offset error < 1µV (typical)
    • High-accuracy cell voltage measurement < 10mV (typical)
  • Wide-range current applications (±200mV measurement range across sense resistor)
  • Integrated secondary chemical fuse drive protection
  • Autonomous or host-controlled cell balancing
  • Multiple power modes (typical battery pack operating range conditions)
    • NORMAL mode (286µA)
    • Multiple SLEEP mode options (24µA to 41µA)
    • Multiple DEEPSLEEP mode options (9µA to 10µA)
    • SHUTDOWN Mode (1µA)
  • High-voltage tolerance of 85V on cell connect and select additional pins
  • Tolerant of random cell attach sequence on the production line
  • Support for temperature sensing using internal sensor and up to nine external thermistors
  • Integrated one-time-programmable (OTP) memory programmable by customers on the production line
  • Communication options include 400kHz I2C, SPI, and HDQ one-wire interface
  • Dual programmable LDOs for external system usage
  • 48-pin TQFP package (PFB)

Applications

  • Cordless power tools and garden tools
  • Vacuum cleaners
  • E-bike, e-scooter, and LEV
  • Non-military drones
  • Other industrial battery packs (3-series–10-series)

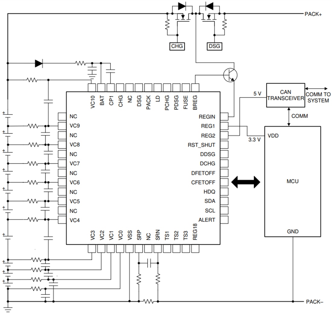
Simplified Schematic

Schematic - Texas Instruments bq76942 Multicell Battery Monitor
Publicado: 2021-02-22 | Actualizado: 2022-03-11