Texas Instruments bq78702B 18-S Stackable Battery Monitor
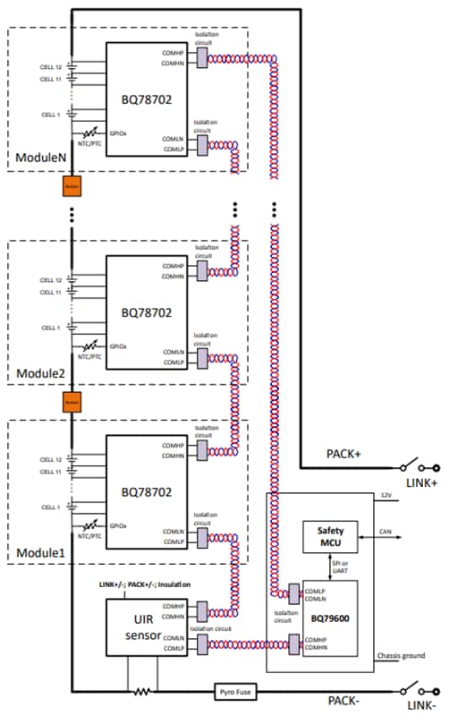
Texas Instruments bq78702B 18-S Stackable Battery Monitor provides high-accuracy cell voltage measurements for up to 18S battery modules in high-voltage battery management systems in energy storage systems. This device has a state-of-the-art ADC architecture/measurement system that meets stringent safety requirements. With the daisy chain isolated by a transformer (or capacitor), the device is designed for centralized or distributed system architectures. A typical application for the Texas Instruments bq78702B is energy storage systems.Features
- Device qualified with the following results
- Device temperature grade 1: -40°C to +125°C ambient operating temperature range
- Device HBM ESD classification level 2
- Device CDM ESD classification level C1
- Functional safety-compliant
- Documentation to aid ISO 26262 and IEC 61508 system design
- Systematic capability up to ASIL B and SIL2
- Hardware integrity up to ASIL B and SIL 2
- Measure 9 to 18 batteries in series per device, stackable up to 64 devices
- Dedicated ADC with ±3.0mV accuracy for 1V to 5V input (-40°C to +125°C)
- Cell voltage and battery pack current measurement synchronized to 64µs
- Support limp mode with full redundancy
- Integrated post-ADC configurable digital low-pass filters
- Supports busbar without affecting measurement accuracy
- 12 GPIOs for temp sensor/analog/digital/I2C controller/SPI controller
- Internal cell balancing
- Balancing at 300mA
- User-controlled PWM adjustment cell balancing current
- Built-in balancing thermal management with automatic pause and resume control
- Robust daisy chain communication and support Ring Architecture
- Hardware reset by host simulates POR-like event without battery removal
- Support transformer and capacitive isolation
- On-chip memory for one-time custom programming
- Low power mode current <6µA
- Compatible with bq79600-Q1 with SPI/UART interface
Simplified System Diagram
Publicado: 2025-08-26
| Actualizado: 2025-09-09
