Texas Instruments CD74AC138 3-to-8 Line Decoders/Demultiplexers
Texas Instruments CD74AC138 3-to-8 Line Decoders/Demultiplexers are designed for high-performance memory-decoding and data-routing applications requiring short propagation delay times. In high-performance memory systems, the Texas Instruments CD74AC138 decoders can minimize the effects of system decoding.Features
- AC types feature 1.5V to 5.5V operation and balanced noise immunity at 30% of the supply voltage
- Speed of bipolar F, AS, and S, with significantly reduced power consumption
- Designed specifically for high-speed memory decoders and data-transmission systems
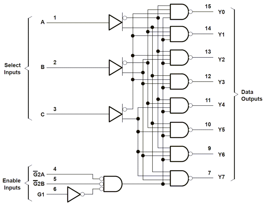
- Incorporate three enable inputs to simplify cascading and/or data reception
- Balanced propagation delays
- ±24mA output drive current
- Fanout to 15 F devices
- SCR latch-up resistant CMOS process and circuit design
Functional Block Diagram
Publicado: 2024-08-23
| Actualizado: 2024-08-29
