Texas Instruments LM25118 Buck-Boost Controller

Texas Instruments LM25118 wide voltage range Buck-Boost switching regulator controller features all of the functions necessary to implement a high performance, cost efficient Buck-Boost regulator using a minimum of external components. The Buck-Boost topology maintains output voltage regulation when the input voltage is either less than or greater than the output voltage making it especially suitable for automotive applications. The LM25118 operates as a buck regulator while the input voltage is sufficiently greater than the regulated output voltage and gradually transitions to the buck-boost mode as the input voltage approaches the output. This dual mode approach maintains regulation over a wide range of input voltages with optimal conversion efficiency in the buck mode and a glitch-free output during mode transitions. This easy to use controller includes drivers for the high side buck MOSFET and the low side boost MOSFET. The regulator's control method is based upon current mode control utilizing an emulated current ramp. Emulated current mode control reduces noise sensitivity of the pulse-width modulation circuit, allowing reliable control of the very small duty cycles necessary in high input voltage applications. Additional protection features include current limit, thermal shutdown and an enable input. The device is available in a power enhanced HTSSOP-20 package featuring an exposed die attach pad to aid thermal dissipation.

The LM25118 Evaluation Board provides the designer with a fully functional, Emulated Current Mode Control, buck-boost power converter to evaluate the LM25118 controller IC. The evaluation board provides a 12V output with 3A of output current capability. The evaluation board's wide input voltage range is from 42V to 5V, with operation down to 3V with some component changes. The evaluation board operates at 300kHz, a good compromise between conversion efficiency, tradeoffs between buck and buck-boost mode requirements, and converter size. The printed circuit board consists of 4 layers with 2 ounce copper top and bottom, and 1 ounce copper on internal layers.

Features

  • LM25118Q1 is an Automotive Grade Product that is
  • AEC-Q100 Grade 1 Qualified (-40°C to 125°C
  • Operating Junction Temperature)
  • Input Voltage Operating Range from 3V to 42V
  • Emulated Peak Current Mode Control
  • Smooth Transition Between Step-Down and Step-Up Modes
  • Switching Frequency Programmable to 500KHz
  • Oscillator Synchronization Capability
  • Internal High Voltage Bias Regulator
  • Integrated High and Low-Side Gate Drivers
  • Programmable Soft-Start Time
  • Ultra Low Shutdown Current
  • Enable Input
  • Wide Bandwidth Error Amplifier
  • 1.5% Feedback Reference Accuracy
  • Thermal Shutdown
  • Package: HTSSOP-20 (Exposed pad)

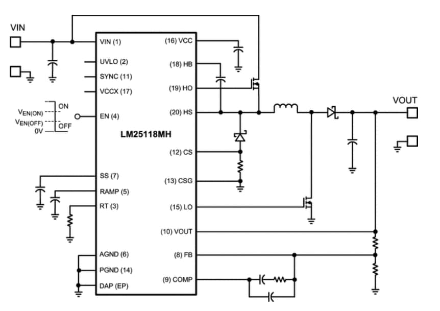
Functional Block Diagram

Block Diagram - Texas Instruments LM25118 Buck-Boost Controller
Publicado: 2014-05-08 | Actualizado: 2022-03-11