Texas Instruments LM51231-Q1 Boost Controller

Texas Instruments LM51231-Q1 Boost Controller provides a wide input range and employs a peak current mode control. The wide input range supports automotive cold-crank and load dump. The minimum input voltage can be as low as 0.8V when BIAS is equal to or greater than 3.8V on the device. The LM51231-Q1 features an output voltage that can be dynamically programmed using the tracking function. At the same time, the bypass mode operation is automatically entered when VSUPPLY > VLOAD, eliminating the body diode drop of the high-side MOSFET. The switching frequency is dynamically programmed with an external resistor from 100kHz to 2.2MHz. Switching at 2.2MHz minimizes AM band interference and permits a small solution size and fast transient response.

The TI LM51231-Q1 boost controller implements built-in protection features such as peak current limit, which is constant over VSUPPLY, overvoltage protection, and thermal shutdown. An external clock synchronization, programmable spread spectrum modulation, and a lead-less package with minimal parasitic further reduce EMI and avoid cross-talk. Additional features include line UVLO, FPWM, diode emulation, DCR inductor current sensing, programmable soft start, and a power-good indicator.

Features

  • AEC-Q100 qualified for automotive applications
    • Temperature grade 1 of -40°C to +125°C, TA
  • Functional Safety-Capable
    • Documentation available to aid functional safety system design
  • Suited for a wide operating range of automotive battery-powered applications
    • 3.8V to 42V input operating range
    • Dynamically programmable VOUT from 5V to 20V, or from 15V to 57V
    • Minimum boost input 0.8V when BIAS ≥ 3.8V
    • Bypass operation when VSUPPLY > VLOAD
  • BIAS shutdown current ≤3μA
  • Small solution size
    • Maximum switching frequency 2.2MHz
    • Internal boot diode
    • QFN-20 with wettable flanks
  • EMI mitigation and avoiding AM band interference and crosstalk
    • Optional clock synchronization
    • Switching frequency from 100kHz to 2.2MHz
    • Selectable switching mode (FPWM, diode emulation)
    • Optional programmable spread spectrum
    • Lead-less package
  • Programmability and flexibility
    • Dynamic VOUT tracking
    • Dynamic switching frequency programming
    • Supports DCR inductor current sensing
    • Programmable input voltage UVLO
    • Adjustable soft start
    • Adaptive dead-time
    • PGOOD indicator
  • Integrated protection features
    • Constant cycle-by-cycle peak current limit over VSUPPLY
    • Overvoltage protection
    • HB-SW short protection
    • Thermal shutdown

Applications

  • Automotive audio power supply with tracking
  • Automotive LED bias supply

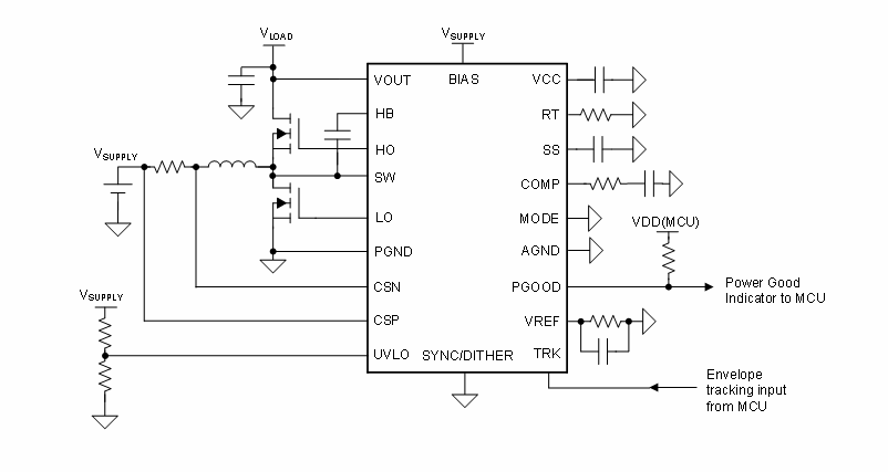
Typical Application

Application Circuit Diagram - Texas Instruments LM51231-Q1 Boost Controller
Publicado: 2022-12-20 | Actualizado: 2025-03-05