Texas Instruments LM656x5/LM656x5-Q1 Synchronous Buck Converters

Texas Instruments LM656x5/LM656x5-Q1 Synchronous Buck Converters are designed for high efficiency, high-power density, and ultra-low electromagnetic interference (EMI). The converters operate over a wide input voltage range of 3V to 65V (70V transient <100ms), reducing the need for external input surge protection. The LM656x5/LM656x5-Q1 has pin-selectable fixed output voltages of 3.3V and 5V, or in an adjustable configuration. The low EMI operation is enabled with minimized loop inductance and optimized switch node slew rate. A pin-selectable ±5% or ±10% dual-random spread spectrum (DRSS) significantly reduces peak emissions through triangular and pseudo-random modulation while keeping output voltage ripple very low. The current-mode control architecture with a 30ns typical minimum on-time allows high conversion ratios at high frequencies, coupled with a fast transient response and excellent load and line regulation. The Texas Instruments LM656x5-Q1 devices are AEC-Q100 qualified for automotive applications.

Features

  • Wide input voltage range of 3V to 65V (70V transient <100ms) and meets LV148/ISO21780 requirements
  • Designed for low EMI requirements
    • Facilitates CISPR 11 class B compliance
    • Mode pin configurable ±5% or ±10% dual-random spread spectrum reducing peak emissions
    • Enhanced HotRod™ QFN package with symmetrical pinout
    • Switching frequency from 300kHz to 2.2MHz
    • Pin-configurable AUTO or FPWM operation
    • Internal compensation, current limit, and TSD
  • Low minimum on time of 40ns (max.) enables 36VIN to 3.3VOUT conversion at 2.2MHz
  • High-efficiency power conversion at all loads
    • > 94% peak efficiency at 24VIN, 5VOUT, 400kHz
    • 2.5µA switching input current at no load
  • High power density
    • 3.6mm × 2.6mm, wettable flank, 20-pin package
    • Pin compatible with 36V 4/6/8A LM654x0-Q1
    • ϴJA = 24.0°C/W (LM65645EVM)

Applications

  • Industrial transport systems
  • Factory automation and control systems
  • Medical imaging systems
  • Advanced driver assistance systems (ADAS) (LM656x5-Q1)
  • Automotive infotainment and cluster (LM656x5-Q1)
  • Hybrid, electric, and powertrain systems (LM656x5-Q1)

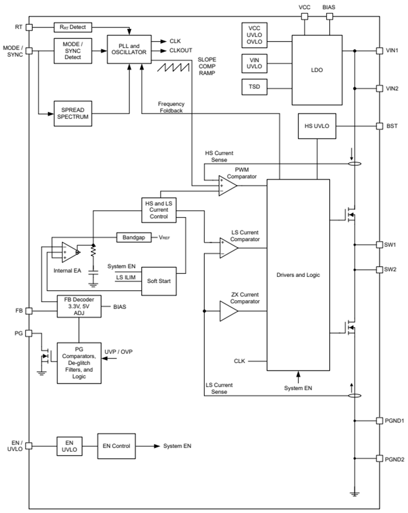
Functional Block Diagram

Block Diagram - Texas Instruments LM656x5/LM656x5-Q1 Synchronous Buck Converters
Publicado: 2025-08-27 | Actualizado: 2025-09-09