Texas Instruments LP8769x-Q1 Automotive PMIC

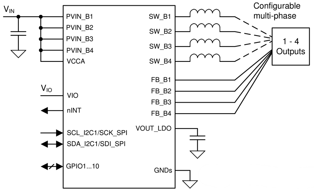
Texas Instruments LP8769x-Q1 Automotive Power Management IC (PMIC) is designed to meet current processors' and platforms' power management requirements in various safety-relevant industrial and automotive applications. The device has four configurable step-down DC/DC converter cores. These can be configured for five phases, from one 4-phase output to four 1-phase outputs. An I2C-compatible serial interface or an SPI serial interface can change the device settings.

The automatic PFM/PWM (AUTO mode) operation and the automatic phase adding and shedding maximize efficiency over a wide output-current range. The Texas Instruments LP8769x-Q1 device supports remote differential voltage sensing for multiphase outputs to compensate for the IR drop between the point-of-load (POL) and the regulator output, improving the output voltage accuracy. The phases are interleaved, and the switching clock can be forced to PWM mode. The spread-spectrum mode can be enabled to minimize disturbances, and the switching can be synchronized with an external clock.

Features

  • AEC-Q100 qualified with the following results
    • 2.8V to 5.5V input voltage
    • Device temperature grade 1 (–40°C to +125°C ambient operating temperature range)
    • Device HBM ESD classification Level 2
    • Device CDM ESD classification Level C4B
  • Functional safety-compliant
    • Developed for functional safety applications
    • Documentation available to aid ISO 26262 system design up to ASIL-D
    • Documentation available to aid IEC 61508 system design up to SIL-3
    • Systematic capability up to ASIL-D
    • Hardware integrity up to ASIL-D
    • Windowed voltage and over-current monitors
    • Watchdog with selectable trigger/Q&A mode
    • Level or PWM error signal monitoring (ESM)
    • Thermal monitoring with a high-temperature warning and thermal shutdown
    • Bit-integrity (CRC) error detection on configuration registers and non-volatile memory
  • Four high-efficiency step-down DC/DC converters
    • Output voltage of 0.3V to 3.34V (0.3V to 1.9V for multi-phase outputs)
    • A maximum output current of 5A per phase, up to 20A with a 4-phase configuration
    • 0.5mV/µs to 33mV/µs programmable output voltage slew-rate
    • 2.2MHz or 4.4MHz switching frequency
  • Ten configurable general-purpose I/Os (GPIOs)
  • SPMI interface for multi-PMIC synchronization
  • Input overvoltage monitor (OVP) and undervoltage lockout (UVLO)

Applications

  • Advanced driver assistance systems (ADAS)
  • Front camera
  • Surround-view system ECU
  • Long range radar
  • Sensor fusion
  • Domain controller

Simplified Schematic

Schematic - Texas Instruments LP8769x-Q1 Automotive PMIC
Publicado: 2024-09-11 | Actualizado: 2025-05-12