Texas Instruments LV14340 Step-Down Converter
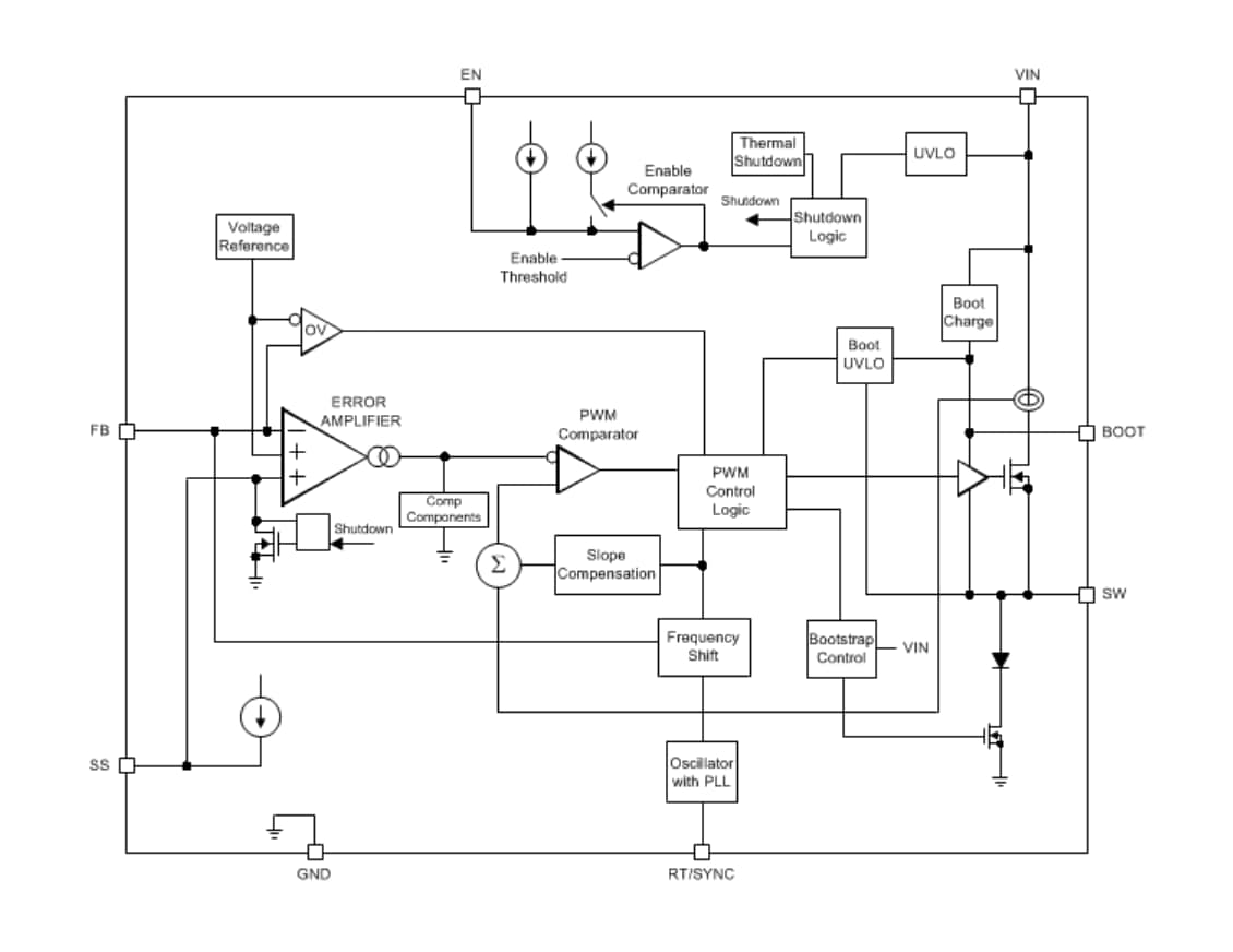
Texas Instruments LV14340 Step-Down Converter is a 40V, 3.5A step-down regulator with an integrated high-side MOSFET. The device offers a wide input range from 4V to 40V and is ideal for various industrial and automotive applications for power conditioning from unregulated sources. Furthermore, a wide adjustable switching frequency range enables either efficiency or optimization of the external component size.The TI LV14340 Converter also has built-in protection options, such as a cycle-by-cycle current limit, thermal sensing, shutdown due to excessive power dissipation, and output overvoltage protection.
The LV14340 is housed in an 8-pin HSOIC with an exposed pad for low thermal resistance.
Features
- 200kHz to 2MHz adjustable switching frequency
- Frequency synchronization to external clock
- Internal compensation for ease of use
- High-duty cycle operation supported
- Precision enable input
- 1µA shutdown current
- Thermal, overvoltage, and short protection
- 8-Pin SOIC with PowerPAD™ package
Applications
- Automotive battery regulation
- Industrial power supplies
- Telecom and datacom systems
- Battery powered systems
Block Diagram
Publicado: 2024-05-13
| Actualizado: 2024-05-23
