Texas Instruments OPAx187 Zero-Drift Operational Amplifiers

Texas Instruments OPAx187 Zero-Drift Operational Amplifiers use auto-zeroing techniques to simultaneously provide low-offset voltage (1µV) and near-zero drift over time and temperature. These miniature, high-precision, low quiescent current amplifiers offer high input impedance and rail-to-rail output swing within 5mV of the rails into high-impedance loads. The input common-mode range includes the negative rail. Either single or dual supplies can be used in the range of 4.5V to 36V (±2.25V to ±18V). The single version of the Texas Instruments OPAx187 is available in Microsize 8-pin VSSOP, 5-pin SOT-23, and 8-pin SOIC packages. The dual version is offered in 8-pin VSON, 8-pin VSSOP, and 8-pin SOIC packages. The quad version is offered in 14-pin SO and 14-pin TSSOP packages.

Features

  • 10µV (maximum) low offset voltage 
  • 0.005µV/°C zero drift 
  • 20nV/√Hz low noise 
  • PSRR - 160dB
  • CMRR - 140dB
  • AOL - 160dB
  • 100µA quiescent current 
  • ±2.25V to ±18V wide supply voltage 
  • Rail-to-rail output operation
  • Input includes negative rail
  • 100pA (typical) low bias current 
  • EMI filtered inputs
  • Microsize packages

Applications

  • Bridge amplifier
  • Strain gauge
  • Test and measurement equipment
  • Transducer application
  • Temperature measurement
  • Electronic scales
  • Medical instrumentation
  • RTD amplifier
  • Precision active filters
  • Low-side current monitoring

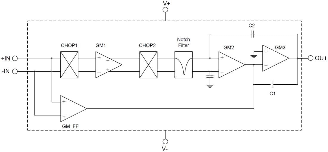
Functional Block Diagram

Block Diagram - Texas Instruments OPAx187 Zero-Drift Operational Amplifiers
Publicado: 2017-02-10 | Actualizado: 2022-03-28