Texas Instruments PGA302 Sensor Signal Conditioners

Texas Instruments PGA302 Sensor Signal Conditioners with 0V-to-5V Ratiometric Output exhibit low drift and noise with both analog and digital features. The device creates 2.5V bridge excitation along with a current output source with programmable current output up to 1mA. Two identical analog front-end (AFE) channels followed by a 16-bit Sigma-Delta ADC are available at the input. Additionally, each AFE channel has a dedicated programmable gain amplifier with a gain of up to 200 V/V. The Texas Instruments PGA302 Sensor Signal Conditioners offer various sensing element types, including piezoresistive, ceramic film, strain gauge, and steel membrane. Other features include memory built-in self-test (MBIST), watchdog timer, and power management control.

Features

  • Dual channel analog front-end
  • On-chip temperature sensor
  • Programmable gain up to 200V/V
  • 16-bit sigma-delta analog-to-digital converter
  • 3rd-order linearity compensation algorithm
  • EEPROM memory for device configuration, calibration data, and user data
  • I2C interface
  • One-wire interface through power line
  • A sensor input, power supply, and output buffer diagnostics
  • Memory Built-In Self-Test (MBIST)
  • Watchdog
  • Power management control

Applications

  • Powertrain pressure sensors
  • Powertrain exhaust sensors
  • HVAC sensors
  • Seat occupancy sensors
  • Brake systems
  • Battery Management Systems (BMS)

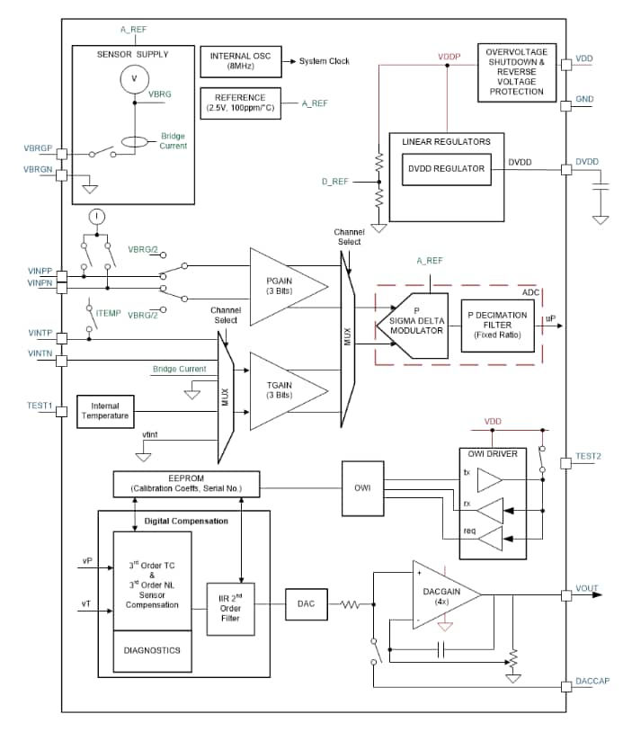
Functional Block Diagram

Block Diagram - Texas Instruments PGA302 Sensor Signal Conditioners
Publicado: 2018-03-26 | Actualizado: 2023-10-30