Texas Instruments SN74AHCT374/SN74AHCT374-Q1 Octal D-Type Flip-Flops

Texas Instruments SN74AHCT374/SN74AHCT374-Q1 Octal D-Type Flip-Flops include 3-state outputs and eight D-type flip-flops. These flip-flops operate at a 4.5V to 5.5V supply voltage range, with low delay, 7.6ns at 5V, 15pF load, and support 130MHz at 5V, 15pF load. All channels share a rising-edge-triggered clock (CLK) input and an active-low Output Enable (OE) input. This device includes a flow-through pinout for easier bus routing and features TTL-compatible inputs. The SN74AHCT374-Q1 flip-flop device is AEC-Q100 qualified for automotive applications. This device is available in a wettable flank QFN package, and the latch-up performance exceeds 250mA per JESD 17. The SN74AHCT374/SN74AHCT374-Q1 flip-flop is ideal for parallel data synchronization, parallel data storage, shift registers, and pattern generators.

Features

  • AEC-Q100 qualified for automotive applications (SN74AHCT374-Q1)
    • -40°C to 125°C device temperature grade 1
    • Device HBM ESD classification level 2
    • Device CDM ESD classification level C4B
  • Available in a wettable flank QFN package
  • 4.5V to 5.5V VCC operating supply voltage range
  • TTL-compatible inputs
  • Low delay, 7.6ns at 5V, and 15pF load
  • Supports 130MHz at 5V, 15pF load
  • Latch-up performance exceeds 250mA per JESD 17

Applications

  • Parallel data synchronization
  • Parallel data storage
  • Shift register
  • Pattern generators

Functional Block Diagram

Block Diagram - Texas Instruments SN74AHCT374/SN74AHCT374-Q1 Octal D-Type Flip-Flops

Electrical Placement of Clamping Diodes for Each Input and Output

Texas Instruments SN74AHCT374/SN74AHCT374-Q1 Octal D-Type Flip-Flops

Typical Characteristics Graph

Performance Graph - Texas Instruments SN74AHCT374/SN74AHCT374-Q1 Octal D-Type Flip-Flops

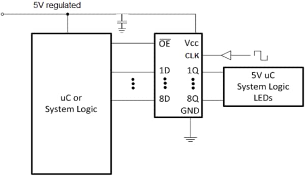
Typical Application Schematic

Schematic - Texas Instruments SN74AHCT374/SN74AHCT374-Q1 Octal D-Type Flip-Flops
Publicado: 2025-09-29 | Actualizado: 2026-01-21