Texas Instruments SN74HC153 4-to-1 Data Selectors/Multiplexers

Texas Instruments SN74HC153 Dual 4-to-1-Line Data Selectors/Multiplexers contain full binary decoding to select one of four data sources. The same address-select inputs control both channels, and each channel includes its own strobe (G) input. A high level at the strobe terminal forces the respective output low. The Texas Instruments SN74HC153 has a wide operating voltage range of 2V to 6V.

Features

  • Wide operating voltage range of 2V to 6V
  • Outputs can drive up to 15 LSTTL loads
  • Low power consumption, 80μA max ICC
  • Typical tpd = 9ns
  • ±6mA output drive at 5V
  • A low input current of 1μA (max.)
  • Permit multiplexing from n lines to one line
  • Perform parallel-to-serial conversion
  • Strobe (enable) line provided for cascading (N lines to n lines)

Applications

  • Selecting data sources
  • Interfacing multiple devices to a common bus
  • Function generator
  • Implementing irregular logic
  • An interface between voltage levels
  • Battery backup systems
  • Digital circuit projects
  • General-purpose logic

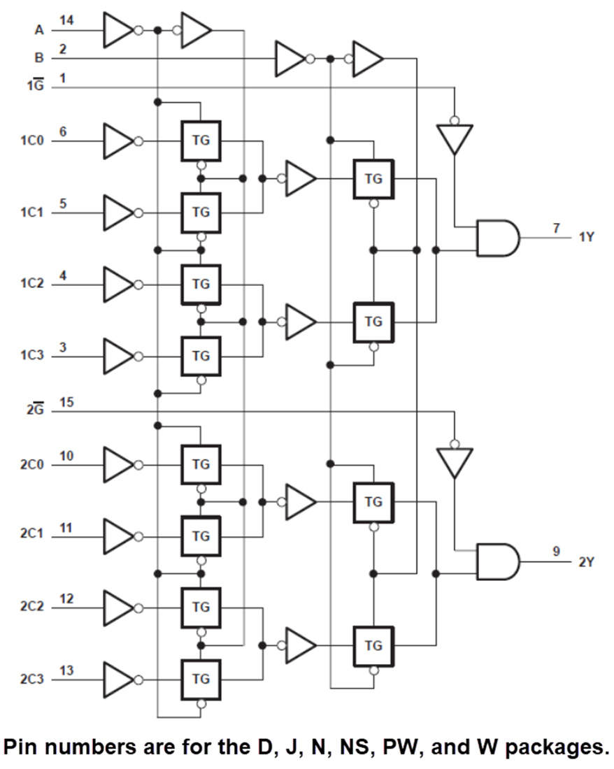
Functional Block Diagram

Block Diagram - Texas Instruments SN74HC153 4-to-1 Data Selectors/Multiplexers
Publicado: 2025-05-01 | Actualizado: 2025-05-09