Texas Instruments SN74LV594A/SN74LV594A-Q1 Serial Shift Registers

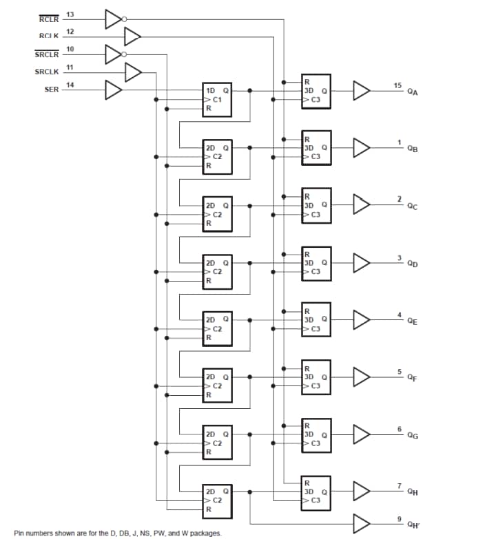
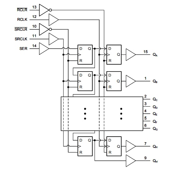
Texas Instruments SN74LV594A/SN74LV594A-Q1 8-Bit Parallel-Out Serial Shift Registers are designed for 2V to 5.5V VCC operation. The SN74LV594A-Q1 is AEC-Q100 qualified for automotive applications and is available in a wettable flank QFN (WBQB) package. The TI SN74LV594A/-Q1 provides direct overriding that clears on shift and storage registers.

Features

  • AEC-Q100 qualified for automotive applications (SN74LV594A-Q1):
    • Device temperature grade 1 at –40°C to +125°C, TA
    • Device HBM ESD Classification Level 2
    • Device CDM ESD Classification Level C6
    • Available in wettable flank QFN (WBQB) package
  • 2V to 5.5V VCC operation
  • Maximum tpd of 6.5ns at 5V
  • Typical VOLP (output ground bounce) <0.8V at VCC = 3.3V, TA = 25°C
  • Support mixed-mode voltage operation on all ports
  • 8-bit serial-in, parallel-out shift registers with storage
  • Independent direct overriding clears on shift and storage registers
  • Independent clocks for shift and storage registers
  • Latch-up performance exceeds 100mA per JESD 78, Class II

Applications

  • Output expansion
  • LED matrix control
  • 7-segment display control
  • ECG electrocardiograms
  • Storage servers
  • EPOS, ECR, and cash drawers
  • Servers and high-performance computing

SN74LV594A Logic Diagram (Positive Logic)

Application Circuit Diagram - Texas Instruments SN74LV594A/SN74LV594A-Q1 Serial Shift Registers

SN74LV594A-Q1 Logic Diagram (Positive Logic)

Application Circuit Diagram - Texas Instruments SN74LV594A/SN74LV594A-Q1 Serial Shift Registers
Publicado: 2023-01-16 | Actualizado: 2025-07-03