Texas Instruments TDP1204 Level Shifter Hybrid Redrivers

Texas Instruments TDP1204 DC/AC-Coupled to HDMI™ 2.1 Level Shifter Hybrid Redrivers supply data rates up to 12Gbps and is backward compatible with HDMI 1.4b and HDMI 2.0b. The versatile redrivers provide high-speed differential inputs and outputs that can either be ACcoupled or DC-coupled, qualifying the TDP1204 to be used as a DP++ to HDMI level shifter or HDMI redriver. The TDP1204 provides 3 and 4-lane HDMI 2.1 FRL at 3, 6, 8, 10, and 12Gbps.

The TI TDP1204 Level Shifter Hybrid Redrivers support both source and sink applications and can operate either in a linear or limited redriver function. When configured as a limited redriver, the device's differential output voltage levels are independent of the graphics process unit (GPU) output levels ensuring HDMI compliant levels at the receptacle. Integrating the level shifter on the TDP1204 eliminates discrete solutions and saves system costs.

The TDP1204 offers single power supply rails of 3.3V on VCC and is presented in a commercial temperature (TDP1204) and industrial temperature (TDP1204I).

Features

  • AC-coupled or DC-coupled input and output supporting HDMI 2.1 data rates up to 12Gbps
    • Backwards compatible with HDMI 1.4b and HDMI 2.0b
    • HDMI 2.1 fixed rate link (FRL) of 3, 6, 8, 10, and 12Gbps
    • Supports HDMI 2.1 three and four-lane FRL
  • Optimized for HDMI source applications
  • Programmable receiver equalizer up to 12dB at 6GHz
  • I2C or pin strap programmable
  • Integrated HPD level shifter supporting both 1.8V and 3.3V LVCMOS levels
  • Integrated DDC buffer supporting as low as 1.2V levels
  • Full lane swap on main lanes
  • Digital display control (DDC) snooping function for link configuration
  • Low power consumption:
    • 575mW 12G FRL four lanes active limited
    • 220mW 12G FRL four lanes active linear
    • 0.6mW Powerdown
  • Available in commercial and industrial temperature
  • Single 3.3V power supply
  • 40-pin, 0.4mm pitch, 4mm x 6mm, WQFN package

Applications

  • Notebooks and desktops
  • TV
  • Home theater and entertainment
  • Gaming systems
  • Docking stations
  • Pro audio, video, and signage

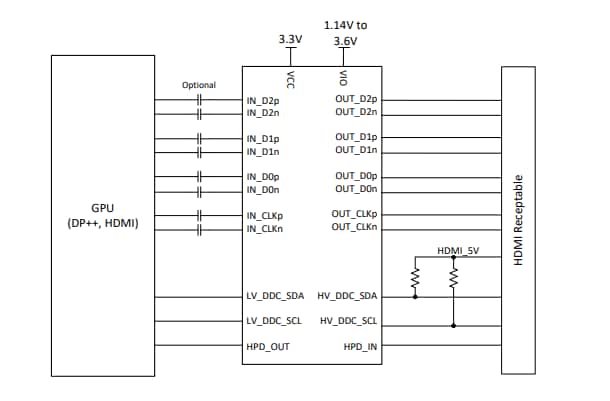
Simplified Schematic

Schematic - Texas Instruments TDP1204 Level Shifter Hybrid Redrivers

Block Diagram

Block Diagram - Texas Instruments TDP1204 Level Shifter Hybrid Redrivers
Publicado: 2022-07-29 | Actualizado: 2023-04-03