Texas Instruments TPS25940/TPS25940-Q1 eFuse Power Switch
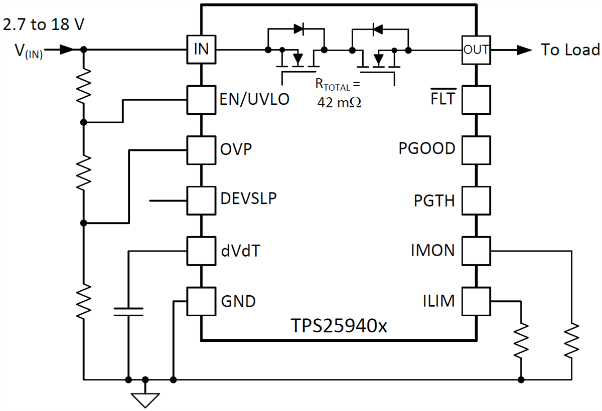
Texas Instruments TPS25940/TPS25940-Q1 eFuse Power Switch is a compact, feature-rich power management device with a full suite of protection functions. These functions include a low-power DevSleep™ mode that supports compliance with the SATA™ Device Sleep standard. The wide operating range allows control of many popular DC bus voltages. Integrated back-to-back FETs provide bidirectional current control. These FETs make it well suited for systems with load-side hold-up energy that must not drain back to a failed supply bus. Load, source, and device protection are provided with programmable features, including over current, dVo/dt ramp, and over-voltage, under-voltage thresholds. The device offers PGOOD, FLT, and precise current monitor output for system status monitoring and downstream load control. Precise programmable under-voltage, over-voltage thresholds, and the low IQ DevSleep mode simplify SSD power management design. The Texas Instruments TPS25940-Q1 devices are AEC-Q100 qualified for automotive applications.Features
- 2.7V – 18V operating voltage, 20V (max.)
- 42mΩ RON (typical)
- 0.6A to 5.3A adjustable current limit (±8%)
- IMON current indicator output (±8%)
- 200µA operating IQ (typical)
- 95µA DevSleep mode IQ (typical)
- 15µA disabled IQ (typical)
- ±2% overvoltage, undervoltage threshold
- Reverse current blocking
- 1µs reverse voltage shutoff
- Programmable dVo/dt control
- Power Good and fault outputs
- –40°C to 125°C junction temperature range
- UL 2367 recognized
- File No. 169910
- RILIM ≥ 20kΩ (4.81A max)
- UL60950 - safe during single point failure test
- Open/short ILIM detection
Applications
- PCIe/SATA/SAS HDD and SSD drives
- Enterprise and microservers
- Smart load switch
- Set-Top-Box (STB), DTVs, and game consoles
- RAID cards - holdup power management
- Telecom switches and routers
- Adapter powered devices
Datasheets
Simplified Schematic
Publicado: 2017-03-02
| Actualizado: 2022-04-06
