Texas Instruments TPS54227 Synchronous Step Down Converter
Texas Instruments TPS54227 Synchronous Step-Down SWIFT™ Converter is an adaptive on-time D-CAP2™ mode synchronous buck converter. The TI TPS54227 step down SWIFT converter features a main control loop that uses D-CAP2 mode control for a fast transient response with no external compensation components. The Texas Instruments TPS54227 step-down converter also has a proprietary circuit that allows for low ESP output capacitors and ultra-low ESR ceramic capacitors. This TI step-down converter operates from 4.5V to 18V VIN input. The output voltage can be programmed between 0.76V and 7V. The TPS54227 also features an adjustable soft-start time.Features
- D-CAP2™ Mode Enables Fast Transient Response
- Low Output Ripple and Allows Ceramic Output Capacitor
- Wide VIN Input Voltage Range: 4.5V to 18V
- Output Voltage Range: 0.76V to 7.0V
- Highly Efficient Integrated FETs Optimized for Lower Duty Cycle Applications
- 155mΩ (High Side) and 108mΩ (Low Side)
- High Efficiency, Less Than 10µA at Shutdown
- High Initial Bandgap Reference Accuracy
- Adjustable Soft Start
- Pre-Biased Soft Start
- 700kHz Switching Frequency (fSW)
- Cycle By Cycle Over Current Limit
Applications
- Digital TV Power Supply
- High Definition Blu-ray Disc™ Players
- Networking Home Terminal
- Digital Set Top Box
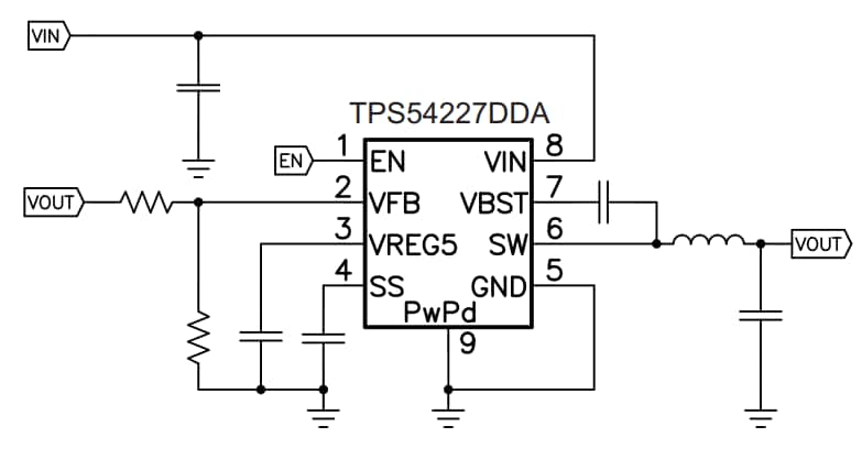
Simplified Schematic
Publicado: 2012-01-26
| Actualizado: 2022-03-11
