Texas Instruments TPS652170 PMICs

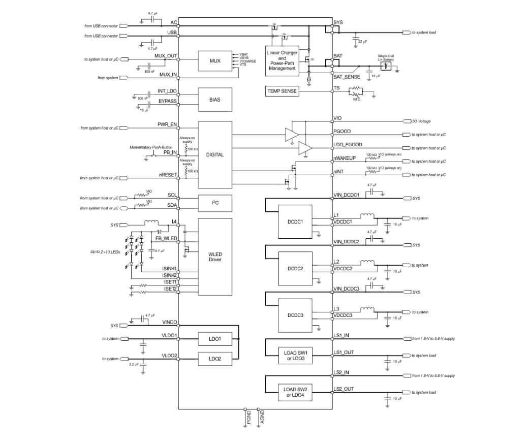
Texas Instruments TPS652170 single-chip Power Management IC (PMIC) is specifically designed to power the AM335x Arm® Cortex®-A8 processor in portable and 5V line-powered applications. The PMIC device features a linear battery charger for single-cell Li-ion and Li-polymer batteries, a dual-input power path, three step-down converters, four low-dropout (LDO) regulators, and a high-efficiency boost converter to power two strings of up to ten LEDs each. A USB port, 5VAC adaptor, or Li-Ion battery can supply the system.

The Texas Instruments TPS652170 is characterized across a -40°C to +105°C temperature range, which makes it suitable for industrial applications. Three high-efficiency 2.25MHz step-down converters can implement the core voltage, memory, and I/O voltage for a system. The TPS652170 device comes in a 48-pin leadless package (6mm × 6mm VQFN) with a 0.4mm pitch.

Features

  • Charger and power path
    • 2A output current on the power path
    • Linear charger; 700mA maximum charge current
    • 20V tolerant USB and AC inputs
    • Thermal regulation, safety timers
    • Temperature sense input
  • Step-down converter (DCDC1, DCDC2, DCDC3)
    • Three step-down converters with integrated switching FETs
    • 2.25MHz fixed frequency operation
    • Power-save mode at light-load current
    • Output voltage accuracy in PWM mode ±2%
    • 100% duty cycle for the lowest dropout
    • Typical 15µA quiescent per converter
    • Passive discharge to ground when disabled
  • LDO regulators (LDO1, LDO2)
    • Two adjustable LDOs
    • LDO2 can be configured to track DCDC3
    • Typical 15µA quiescent current
  • Load switches (LDO3, LDO4)
    • Two independent load switches that can be configured as LDOs
  • WLED driver
    • Internally generated PWM for dimming control
    • 38V open-LED protection
    • Supports two strings of up to 10 LEDs at 25mA each
    • Internal low-side current sinks
  • Protection
    • Undervoltage lockout and battery fault comparator
    • Always-on push-button monitor
    • Hardware reset pin
    • Password-protected I2C registers
  • Interface
    • I2C interface (address 0x24)
    • Password-protected I2C registers

Applications

  • Sitara™ AM335x processor power
  • Portable navigation systems
  • Tablet computing
  • 5V industrial equipment

Block Diagram

Block Diagram - Texas Instruments TPS652170 PMICs

Simplified Application Diagram

Application Circuit Diagram - Texas Instruments TPS652170 PMICs
Publicado: 2019-10-14 | Actualizado: 2023-12-11