Texas Instruments XTR112 & XTR114 4-20mA Current Transmitters
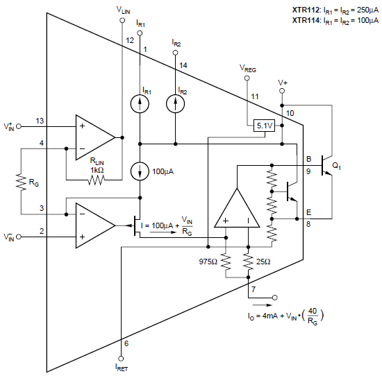
Texas Instruments XTR112 and XTR114 monolithic 4-20mA, two-wire current transmitters provide complete current excitation for high impedance platinum RTD temperature sensors and bridges, instrumentation amplifiers, and current output circuitry on a single IC. TI XTR112 has two 250mA current sources while the XTR114 has two 100mA sources for RTD excitation. Versatile linearization circuitry provides a 2nd-order correction to the RTD, typically achieving a 40:1 improvement in linearity. Instrumentation amplifier gain can be configured for a wide range of temperature or pressure measurements. Total unadjusted error of the complete current transmitter is low enough to permit use without adjustment in many applications. This includes zero output current drift, span drift and nonlinearity. TI XTR112 and XTR114 4-20mA current transmitters operate on loop power supply voltages down to 7.5V.Features
- Low unadjusted error
- Precision current sources
- XTR112: two 250µA
- XTR114: two 100µA
- RTD or bridge excitation
- Linearization
- Two- or three-wire RTD operation
- 0.4µV/°C offset drift
- 30nAp-p output current noise
- 110dB min. PSR
- 86dB min. CMR
- 7.5V TO 36V supply range
Applications
- Industrial process control
- Factory automation
- SCADA remote data acquisition
- Remote temperature and pressure transducers
Block Diagram
Application Circuit
Additional Resources
Publicado: 2012-04-26
| Actualizado: 2023-10-31
