Vishay VEML3328 & VEML3328SL RGBCIR Color Sensors
Vishay VEML3328 and VEML3328SL RGBCIR Color Sensors integrate photodiodes, amplifiers, and analog/digital circuits into a single CMOS chip, enabling them to sense Red, Green, Blue, Clear, and IR light. The multi-spectrum sensing ability of the VEML3328 and VEML3328SL sensors makes these devices ideal for backlight adjustment applications in indoor and outdoor environments. Vishay VEML3328 and VEML3328SL sensors feature a low 2.6V to 3.6V operation voltage and a low power consumption I2C interface.The VEML3328 is available in a OPLGA4 package, and the VEML3328SL is offered in a OPLGA4 SV (side view) package. Both devices are Pb-free, halogen free, and RoHS compliant.
Features
- Integrated modules: color sensor and signal conditioning IC
- Supports low transmittance (dark) lens design
- Provides 16-bit resolution for each channel (R, G, B, C, and IR)
- Peak sensitivity
- Red: 610nm
- Green:560nm
- Blue: 470nm
- Clear: 590nm
- IR: 825nm
- Operation temperature range: -40°C to +85°C
- Low power consumption I2C (SMBus compatible) interface
- Floor life: 168h
- Moisture Sensitivity Level: MSL3, according to J-STD-020
- Operation voltage: 2.6V to 3.6V
- Package options
- VEML3328: OPLGA4 (2.0mm x 1.25mm x 1.0mm)
- VEML3328SL: OPLGA4 SV (2.95mm x 1.50mm x 1.50mm)
- Vishay Green, Pb-free, Halogen free, RoHS compliant
Applications
- Maintaining consistent true color and ideal brightness levels on handheld displays as users move between indoor and outdoor environments
- Automatic LCD backlight adjustment
- Automatic white balancing and color cast correction in digital cameras
- On/Off light switching in industrial and consumer applications
- Active monitoring of LED color output for IoT and smart lighting
Datasheets
Block Diagrams
VEML3328 Application Circuit
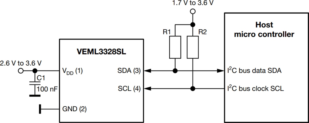
VEML3328SL Application Circuit
Publicado: 2019-12-03
| Actualizado: 2025-03-27
