Analog Devices / Maxim Integrated MAX96793 CSI-2 to GMSL3/2 Serializers

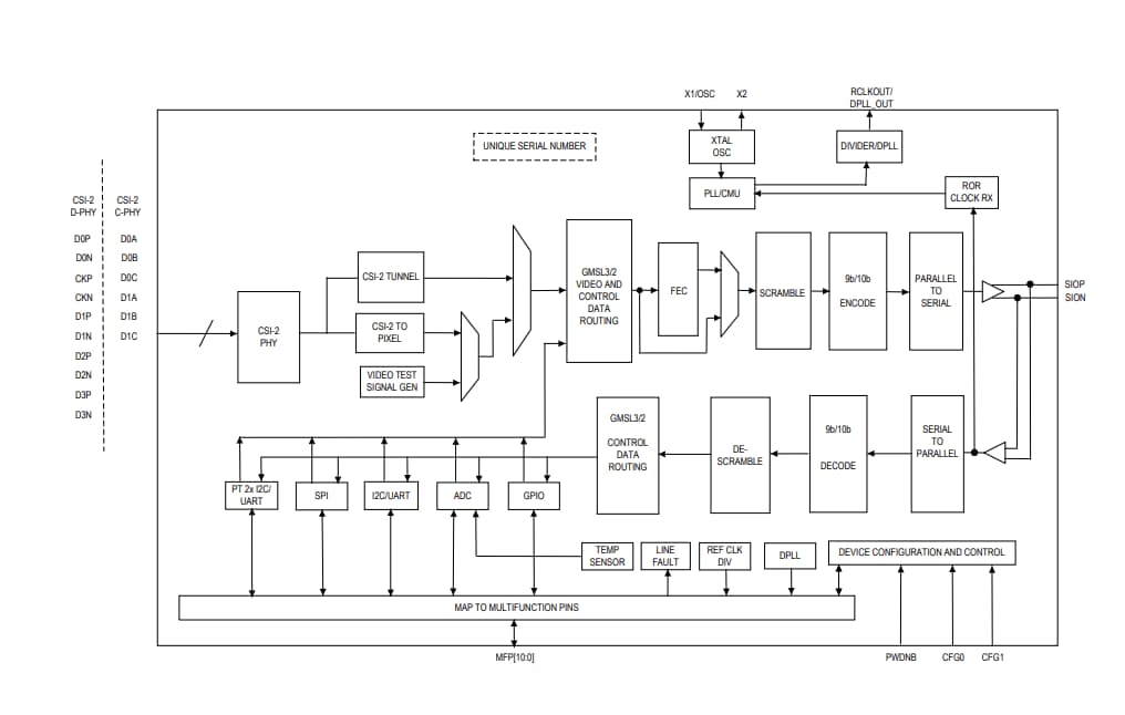
Analog Devices / Maxim Integrated MAX96793 CSI-2 to GMSL3/2 Serializers receive video on a MIPI CSI-2 interface and output it to a GMSL2 or GMSL3 serial link transceiver. These serializers send and receive bidirectional control channel data across the same GMSL link, and GMSL2/GMSL3 data can be transported over coaxial or STP cables. The GMSL2 links operate at a fixed rate of 3Gbps or 6Gbps in the forward direction and 187.5Mbps in the reverse direction. In comparison, the GMSL3 links operate at a fixed rate of 12Gbps in the forward direction. The MAX96793 serializers are programmed through a local I2C/UART interface or across the link from matching deserializers. These serializers feature two I2C/UART pass-through channels, flexible GPIO, SPI tunnel, a built-in ADC, temperature sensor, and a set of diagnostics for functional safety.

The MAX96793 serializers are AEC-Q100 grade 2 qualified and operate over the -40°C to 105°C temperature range. Typical applications include ADAS, which incorporate 8MP 60fps Forward Vision Camera (FVC) systems and forwarding of aggregated camera data, along with systems featuring multiple synchronized cameras.

Features

  • Automotive-grade high-speed link:
    • -18db maximum insertion loss at 3GHz (12Gbps)
    • -21.0dB maximum insertion loss at 3GHz (6Gbps)
    • -19.5dB maximum insertion loss at 1.5GHz (3Gbps)
    • Auto-adapt for changes in channel conditions
    • Operates at -40°C to 105°C ambient temperature range
  • MIPI CSI-2 v1.3 input port:
    • MIPI D-PHY v1.2 rated at 2.5Gbps/lane (up to 4lanes)
    • MIPI C-PHY v1.0 rated at 3.42Gbps/lane (up to 2lanes)
    • Polarity flip and data lane reassignment
    • Supports 16 virtual channels
  • Single GMSL3 output:
    • 12Gbps GMSL3 forward link rate
    • GMSL2 backward compatible 6Gbps / 3Gbps link-rates
    • 187.5Mbps reverse link rate
  • Bidirectional control-channel supports:
    • 11x configurable GPIO
    • 1x I2C/UART port up to 1MHz
    • 2x pass-through ports:
      • Up to 2M baud as UART
      • Up to 1Mb/s as I2C
    • 1x SPI port, up to 25MHz
  • Reduce BOM and space savings:
    • Tiny 5x5mm TQFN
    • RoR for crystal-free operation on serializers
    • Onboard temperature monitoring with ±2.5°C accuracy
  • Safety ready:
    • ASIL-B compliant
    • ASIL-D decomposition compliant

Applications

  • Advanced Driver Assistance Systems (ADAS):
    • 8MP 60fps Forward Vision Camera (FVC) systems
    • Forwarding of aggregated camera data
  • Systems with multiple synchronized cameras

Block Diagram

Block Diagram - Analog Devices / Maxim Integrated MAX96793 CSI-2 to GMSL3/2 Serializers

Simplified Application Circuit

Application Circuit Diagram - Analog Devices / Maxim Integrated MAX96793 CSI-2 to GMSL3/2 Serializers
Publicado: 2025-12-04 | Actualizado: 2025-12-23